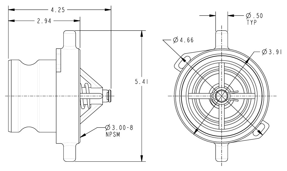
2173AVN Series Vapor Recovery Fitting
The 2173AVN Vapour Recovery Dry Disconnect Coupling provides easy access in recovering vapours for either top or bottom loading/unloading tank truck operations. The OPW 2173AVN installs onto the QRB valve on tank trailers and can provide a dry disconnect connection for emergency evacuation of hazardous liquids in the case of a roll-over.
